正文:
第一章总体设计方案
1. 项目概述
数据机房建设项目包含机房装修、机房供配电系统、机房照明系统、机房防雷、接地系统、机房空调及通风系统、机房专用机柜及冷通道系统、机房环境监控及安防系统等系统。所有的系统设计按照《数据中心设计规范》GB50174-2017规范机房进行设计。
根据需求和实际场地情况,对功能房间分隔如下:
|
楼层 |
功能区 |
面积/平米 |
空调形式 |
灭火形式 |
|
主机房 |
精密空调 |
七氟丙烷灭火 |
||
|
网络机房 |
精密空调 |
七氟丙烷灭火 |
||
|
UPS配电室 |
精密空调 |
七氟丙烷灭火 |
||
|
监控中心 |
舒适空调 |
便携式干粉灭火 |
||
|
备品备件室 |
舒适空调 |
便携式干粉灭火 |
||
|
参观通道 |
/ |
便携式干粉灭火 |
||
|
过渡间 |
/ |
便携式干粉灭火 |
2. 机房环境指标
电子计算机机房是以建筑为依托、以数据为保障建立一个特定的电子环境空间。作为建筑行业的特殊专业,机房的环境建设尤为重要。本机房按照A级标准设计:
1)温湿度:
|
区域 |
指标 |
开机时 |
停机时 |
|
|
主机房区(专用空调区域A级) |
温度,℃ |
夏季 |
冬季 |
全年 |
|
23±1 |
20±1 |
5~35 |
||
|
相对湿度,% |
45~65 |
40~70 |
||
|
温度变化率,℃/h |
<5,不凝露 |
<5,不凝露 |
||
|
机房辅助区(非专用空调区域 B级) |
温度,℃ |
15~30 |
5~35 |
|
|
相对湿度,% |
40~70 |
20~80 |
||
|
温度变化率,℃/h |
<5,不凝露 |
<10,不凝露 |
||
2)尘埃:主机房在静态条件下,粒度≥0.5μm,个数≤18000粒/dm3 。
3)噪音:在计算机系统停机情况下,主机房中心位置<65dB。
4)主机房内绝缘体的静电电位<1KV。
5)照度:主机房>500Lx,无眩光;
辅助机房>300Lx,眩光限制等级为I级;
应急照明>50Lx。
6)接地:接地电阻<1Ω;零地电位差<1V。
7)主机房内无线电干扰场强,在频率为0.15~1000MHZ时,不应大于126dB。
8)主机房内磁场干扰环境场强不应大于800A/m。
9)在计算机系统停机条件下主机房地板表面垂直及水平向的振动加速度值,不应大于500mm/s2
第二章 装修系统
1. 平面设计
根据现场情况,机房设备平面布局,在主机房入口采用斜坡,充分考虑机房内设备的搬运、人员的流动,使机房设计更加趋于合理。
2. 装饰设计描述
2.1. 地面
目前机房内常用抗静电活动地板,此种材料抗静电、耐磨、耐污染、不打滑、满足荷载要求。抗静电活动地板的种类较多,根据其基层材料可分为陶瓷、钢质、复合三大类。地板的厚度视厂商及型号而略有不同。本次地面铺设抗静电活动地板。
2.2. 顶面
按照《建筑内部装修设计防火规范》吊顶材料应选用A级装修材料。
机房常用的材料为铝合金吊顶(包括铝合金微孔板、铝合金格栅、铝合金挂片等),此种材料不吸尘、不起尘、吸音、易清洁、便于安装及维修吊顶内管线。本次设计中采用铝合金方板吊顶。
2.3. 墙、柱面
内墙装饰的目的是在满足功能房间使用要求的前提下,创造一个舒适、美观而整洁的环境。在本次设计中墙面采用彩钢板饰面。
2.4. 隔断墙
主机房外落地窗采用实砖砌墙封堵,预留通风孔。
2.5. 其它
l 踢脚:本次设计区域采用不锈钢踢脚线。
l 门窗:机房门采用甲级钢制防火门规格为:2300*1500mm。
第三章 空调系统
1. 设计范围
设计范围详见下表:
|
楼层 |
功能区 |
空调形式 |
新风 |
排风 |
|
一层 |
主机房 |
精密空调 |
吊卧式新风机 |
排风排烟机 |
|
一层 |
网络机房 |
精密空调 |
吊卧式新风机 |
排风排烟机 |
|
一层 |
UPS配电室 |
精密空调 |
吊卧式新风机 |
排风排烟机 |
|
一层 |
监控中心 |
舒适空调 |
吊卧式新风机 |
排风排烟机 |
|
一层 |
备品备件室 |
舒适空调 |
吊卧式新风机 |
排风排烟机 |
|
一层 |
参观通道 |
/ |
吊卧式新风机 |
排风排烟机 |
|
一层 |
过渡间 |
/ |
/ |
/ |
本次报价不含舒适性空调及新、排风系统;
2. 机房空调系统
2.1机房内设计参数
专用空调区域(服务器机房):
夏季:温度23±1℃,相对湿度45~65%
冬季:温度20±2℃,相对湿度45~65%
温度变化率:<5℃/h,并不得结露。
2.2机组选型方案
精密空调负荷计算方法:
冷负荷=((围护结构传热量)+(设备发热量)+(人员散热量)+(照明的发热量)+(新风耗冷量))×冗余系数
计算结果如下表:
|
机房冷量规划 |
||||||||||
|
机房精密空调负荷估算-IT设备 |
||||||||||
|
列号 |
功能房间 |
设备冷负荷(KW) |
围护结构冷负荷(KW) |
照明冷负荷(KW) |
人员冷负荷(KW) |
总冷负荷(KW) |
数量(台) |
配置品牌型号 |
配置单台冷负荷(KW) |
运行方式 |
|
服务器机房一 |
略 |
略 |
略 |
略 |
略 |
4 |
略 |
40KW |
3主+1备 |
|
|
服务器机房二 |
略 |
略 |
略 |
略 |
略 |
4 |
略 |
40KW |
3主+1备 |
|
|
其他区域 (网络及配电机房) |
略 |
略 |
略 |
略 |
略 |
2 |
略 |
40KW |
1主+1备 |
|
本期工程服务器机房一设计配置4台40KW行间级风冷精密空调,采用3主1备份方式运行,服务器机房二设计配置4台40KW行间级风冷精密空调,采用3主1备份方式运行,其他区域(网络及配电机房)设计配置2台40KW房间级下送风风冷精密空调,采用1主1备方式运行,室外机安装于一楼户外平台。
2.3新风系统
机房与机房外走道的压差不应小于4Pa,与室外静压差不应小于10Pa。但压差不宜过大,一般与其它房间、走道间的压差不应大于40Pa。保持机房合适的正压,使压差在门缝间隙向外泻压,并阻挡尘粒及潮气浸入。
机房区设独立新风系统,新风量按机房内不小于2次/h换气计算,采用1台吊卧式新风机新风量分别为800m3/h。新风直接引自室外,通过亚高效新风过滤机对其进行过滤,以保证机房的洁净度,经过处理和过滤后的新风送至机房内。
实际配置以新、排风厂家深化设计为准;
2.4排风系统
在气体灭火区域需设置排气设备,将消防灭火后室内的气体排出室外。排气量按换气次数5次/h计,采用一台排风机排风量为1000m3/h。
实际配置以新、排风厂家深化设计为准;
第四章 电气设计方案
供配电系统是机房工程的核心,全面考虑用户对机房供配电的需求后进行合理设计,确保机房供配电系统的安全、可靠和先进性。一个高品质的机房供配电系统体现在:高冗余、高容错,有防雷、防火、抗电网浪涌、静电泄漏等功能,良好的接地系统、防雷系统等。科学合理的供配电系统是保证机房设备安全可靠运行的关键。
² 防雷:本次工程计算机房交流配电系统采用三级防雷。第一级通过大楼低压配电室内加装防雷器实现(由大楼完成);第二级通过UPS配电室内的市电配电柜中加装防雷器实现;第三级通过UPS输出配电柜中加装防雷器及具有防电涌功能机柜PDU实现。,
² 防火:电缆(电线)均选用阻燃型ZR产品、应急电源线选用耐火型NH产品。
² 防水:活动地板下的金属线槽全部通过支架离地安装。
² 抗干扰:所有电缆(电线)均采用镀锌金属线槽及镀锌电线管保护敷设,所有金属管、金属线槽均可靠接地。计算机设备末端配电电缆选用屏蔽型电缆。强电线槽敷设在机柜的正面,弱电线槽敷设在机柜的背面。弱电线槽与强电线槽平行敷设时,至少相距500mm。
² 良好的接地系统:机房内设有四种接地形式,即:交流工作地、计算机专用直流地安全保护地、防雷保护地。本次工程沿引大楼综合接地系统。要求接地电阻小于1欧姆。
1. 设计依据
《数据中心设计规范》(GB50174-2017);
《计算机场地通用规范》(GB/T-2887-2000);
《建筑照明设计标准》(GB/T50034-2004);
《高层民用建筑设计防火规范》(GB50045-95);(2001版)
《建筑电气工程施工质量验收规范》(GB50303-2002);
《通信机房静电防护通则》(YD/TT54-95);
《建筑物电子信息系统防雷技术规范》(GB50343-2004)。
2. 计算机配电要求
2.1 计算机机房电源
² 频率:50Hz
² 电压:380V/220V
² 相数:三相五线制
2.2 计算机机房供电电源指标
|
指标 级别项目 |
A |
B |
C |
|
电压变动(%) |
-5 ~ +5 |
-10 ~ +7 |
-15 ~+10 |
|
周波变化(HZ) |
-0.2 ~ +0.2 |
-0.5 ~ +0.5 |
-1 ~+1 |
2.3 计算机机房供电等级
根据计算机的性能、用途和运行方式(是否联网)等情况,供电电源质量等级分为3级(A、B、C),见下表:
|
项目 |
A |
B |
C |
|
稳态电压偏移范围(%) |
±2 |
±5 |
+7 |
|
稳态频率偏移范围(Hz) |
±0.2 |
±0.5 |
±1 |
|
电压波形畸变率(%) |
3-5 |
5-8 |
8-10 |
|
允许断电持续时间(ms) |
0-4 |
4-200 |
200-1,500 |
本次机房工程供电电源质量需满足B级标准。
3. 设计内容
² 机房UPS供配电系统
² 机房动力供配电系统
² 机房照明、应急照明系统
² 机房接地系统
² 机房防雷系统
4. 供配电系统
4.1 计算机系统供配电:
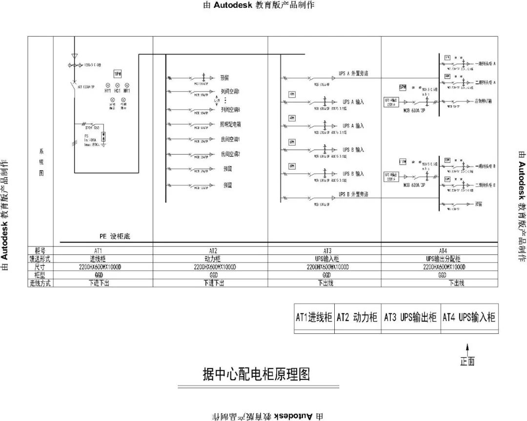
计算机设备供电采用“单路市电+UPS不间断电源” 供电方式,电源通过UPS稳频稳压后,给计算机设备供电,保证计算机设备的电能质量和可靠运行。本次工程的机房计算机供配电系统根据现场情况,UPS系统设计2台320KVA模块化UPS,2N方式运行,单模块为40KW,本次共设置8个40KW单模块,运行方式单机为3+1(备份)配电系统后备电池时间60分钟。机房内所有计算机负荷(服务器机柜、网络机柜等)均为单路UPS电源供电。具体详见配电系统图:
4.2 动力系统供配电:
1) 机房动力电
由园区低压配电房引入1路市电至机房UPS配电室输入柜AT1,为机房提供独立的供电电源。
设计规划配电柜AT2,为机房所有动力设备提供市电电源;
2) 机房新风设备供配电
机房内新风及排风设备电源,由AT2供给。
3) 机房内墙面市电辅助插座、照明灯具供配电
设计规划市电照明配电箱及应急照明配电箱,市电照明配电箱为照明、市电插座等提供市电电源,灯具采用分区分路控制的原则,以利于节能。其中应急照明利用常规灯具中的一部分,采用UPS电源供电方式。在机房出口分别设置出口标志指示灯,出口标志指示灯为自带蓄电池型。
4.3 机房IT设备供电方案
机房内的IT设备采用2N双总线的供电方式 ,设计规划2台320KVA模块化UPS组成单机双总线,为IT设备提供高可靠的不电源保障,避免人为操作不当或设备故障引起的断电问题。
设计规划1台UPS输入柜(AT3)及UPS输出配电柜(AT4),经UPS输入输出,分别接至双电源精密列头柜,经机柜PDU1、PDU2为机架IT设备提供双电源供电;
配电设计图如下:
1、机房配电架构图
2、机房配电柜原理图
4.4 负荷计算
|
机房用电规划 |
|||||||||||
|
机房UPS负荷估算-IT设备 |
|||||||||||
|
列号 |
用电描述 |
数量 |
单台功率KW |
功率/KW |
需要系数 |
小计/KW |
|||||
|
1 |
服务器机柜 |
||||||||||
|
2 |
网络机柜 |
||||||||||
|
3 |
安防设备 |
||||||||||
|
4 |
消防设备用电 |
||||||||||
|
5 |
应急照明 |
||||||||||
|
6 |
其他 |
||||||||||
|
7 |
合计 |
设备安装功率/KW: |
|||||||||
|
8 |
功率因数 |
同时系数 |
计算负荷/KVA: |
||||||||
|
9 |
所需要的UPS总容量: |
按UPS 80%最佳负载率选型 |
计算负荷/KW: |
||||||||
|
UPS选型:选用2台320KVA的UPS模块,前期单机配置160KVA,模块冗余,组成单机2N系统运行。后期单机最大可扩容到320KVA |
|||||||||||
|
按单机满负荷60分钟即配置电池,系统2小时; |
|||||||||||
|
动力负荷估算-空调、新风机、办公工位、照明、插座等 |
|||||||||||
|
序号 |
设备名称 |
数量(台/项) |
单台功率KW |
功率/KW |
需要系数 |
小计/KW |
|||||
|
1 |
列间精密空调(含备份) |
||||||||||
|
精密空调(含备份) |
|||||||||||
|
2 |
新风机 |
||||||||||
|
3 |
轴流风机 |
||||||||||
|
4 |
空调柜机 |
||||||||||
|
5 |
机房照明 |
||||||||||
|
6 |
机房墙面插座 |
||||||||||
|
7 |
合计 |
设备安装功率/KW: |
|||||||||
|
8 |
功率因数 |
同时系数 |
计算负荷/KVA: |
||||||||
|
9 |
计算负荷/KW: |
||||||||||
|
总用电负荷估算 |
|||||||||||
|
序号 |
设备名称 |
数量 |
耗电估计/KW |
需要系数 |
小计/KW |
||||||
|
1 |
UPS负荷估算 |
||||||||||
|
2 |
动力负荷估算 |
||||||||||
|
4 |
合计 |
设备安装功率/KW: |
|||||||||
|
5 |
功率因数 |
同时系数 |
计算负荷/KVA: |
||||||||
|
6 |
计算负荷/KW: |
||||||||||
用电需求分析:
UPS系统设计2台模块化320KVAUPS,单模块为40KW,本次单机设计配置4个40KW单模块,运行方式为2N系统,后备电池时间单机60分钟,系统2小时。机房内所有计算机负荷(服务器机柜、网络机柜等)均为双路UPS电源供电。
IT设备:
供电方式: 三相五线制,TN-S系统
供电电压: 380V
供电容量: 2N系统,末端,32A单电流输入.
动力设备:
供电方式: 三相五线制,TN-S系统
供电电压: 380V
5. 接地系统
5.1 接地型式种类、目的
通常为了保证数据中心机房内的各种设备的安全,要求机房设有四种接地形式,即:计算机专用直流工作地、配电系统交流工作地、安全保护地、防雷保护地。
² 1). 计算机专用直流工作接地:用来保护计算机、服务器、网络设备等,定义计算机系统工作电压,输出信号的参考地值。
2). 配电系统交流工作接地是指电源系统的工作地,根据《民用建筑电气设计规范》中各种接地形式来将整个系统中的中性线(N)接地。
3). 设备安全保护接地是指将高低压电气设备之非带电金属部份接地。此非带电金属部份包括:金属导线管、金属线槽、电缆之金属装甲、出线匣、电动机框架、变压器外壳( 干式变压器除外)、断路器之装甲保护箱、电动机操作器等金属外箱及各种电气设备之金属外箱。
4). 防雷保护接地。建立联合共用接地系统,形成等电位防雷体系,将建筑物的基础钢筋(包括桩基、承台、底板、地梁等),梁柱钢筋,金属框架,建筑物防雷引下线等连接起来,形成闭合良好的法拉第笼式接地,将建筑物各部分的接地(包括交流工作地,安全保护地,直流工作地,防雷接地)与建筑物法拉第笼良好连接,从而避免各接地线之间存在电位差,以消除感应过电压产生。国家标准《建筑物防雷设计规范》GB50057-94明确规定,各防雷区交接处,必须进行等电位联结;尤其建筑物内的计算机房等弱电机房,遭受直击雷的可能性比较小,所以在此处除采取电涌保护器进行感应雷防护外,还应采用等电位联结方式来进行防雷保护。
5.2 具体实施方法
² 本工程采用(TN-S)系统,三相五线配电,独立设置接地线(PE)。
² 采用综合接地形式。
² 交流工作地(中性地):机房市电交流工作地接地单独用绝缘接地线ZR-BV50mm2从大楼提供的综合接地体的端子上引取至动力配电柜的N排上,接地电阻R ≤1 Ω。
² 计算机专用直流工作接地:计算机直流工作地采用大楼综合接地体,计算机直流工作接地单独用绝缘接地线ZR-BV35mm2从大楼提供的综合接地体的端子上引取至UPS输出配电柜的G排上,接地电阻R ≤1 Ω 。
² 计算机交流工作零N': 计算机交流工作零N'从大楼综合接地体的端子上引一路(ZR-BV50mm2)绝缘地线接到UPS输出配电柜的N'排上,接地电阻R ≤1 Ω。
² 机房室内等电位做法:用100*0.5紫铜带敷设在活动地板下,纵横组成600*600网格状,在机房一周敷设30*3的铜带,铜带配有专用接地端子,用编织软铜线机房内所有金属材质的材料都做接地,用绝缘接地线ZR-BV50mm2引取至大楼综合接地体。
² 预留一根接地电缆作为备用地。
² 机房动力设备的地线、动力设备的外壳、不带电的金属管道、金属线槽外壳、计算机设备外壳、防静电地板支架、吊顶龙骨、金属墙体等均须与等电位铜排网络可靠相连。
接地要求:接地电阻小于1欧姆
6. 防雷系统
6.1 防雷方案
综合防雷:根据GB50343-2004《建筑物电子信息系统防雷技术规范》中1.0.5“电子信息系统采用外部防雷措施和内部防雷等措施进行综合防雷”
本次工程计算机交流配电系统设计采用三级防雷:
第一级在大楼低压配电室内加装防雷器,实现第一级防雷。(由大楼实现))
第二级在UPS电源室内的市电配电柜AT1内加装防雷器,实现第二级防雷。
第三级在机房精密列头柜内加装防雷器,以及机柜末端防电涌PDU实现第三级防雷。
7. 照明系统
7.1 照明设计
计算机机房对照明的要求:光线明亮且柔和,适合人们的生理需要,布局合理且操作方便,为工作人员创造良好的工作环境。
此项目机房光度以适宜为准,故以 500 Lux 的标准。另外选用日光灯等省电照明设施,而线路开关控制以分组分区控制为原则,可大量节省耗电支出以及增长系统寿命。
7.2 灯具选择
本次机房工程均选用吊挂式双管格栅荧光灯
7.3 照度设计
主机房照度≥500Lux
辅助机房≥300Lux
7.4 眩光限制标准
机房内基本工作间眩光等级为Ⅰ级,无眩光;第一类辅助房间眩光限制等级为Ⅱ级,可以有轻微眩光;第二、三类辅助房间眩光等级为Ⅲ级,允许有眩光感觉。
本项目机房区眩光等级均为Ⅰ级,无眩光。
7.5 灯具控制
照明灯具通过机房操作监控台上设置的跷板开关控制灯具的启闭。灯具采用分区分路控制的原则,以利于节能。
7.6 应急照明
应急照明可保证人员做应急处理,或安全快速地向应急出口疏散。应急照明利用常规灯具中的一部分,采用市电与UPS电源互投的方式实现。当市电正常时,应急照明是正常照明一部分,可以正常启停。当应急状态下,自动切换到UPS系统,应急灯具自动点亮。在屏蔽机房出口分别设置出口标志指示灯,出口标志指示灯和方向指示灯均为自带蓄电池型(延时时间大于90分钟)。应急照明与消防联动。
第五章 机房环境监控系统
1.门禁系统设计
n 系统概述
门禁系统由控制器、读卡器、电控锁、开门按钮、系统服务器(计算机)、通讯转换器、门禁及考勤管理软件组成。读卡方式属非接触读卡方式,持卡人只需将卡片在读卡器感应区内快速晃动一次,读卡器就能感应到卡片并将卡中的信息(卡号)发送到控制器,控制器进行检查卡片合法性,然后决定是否进行开门动作。整个过程只要在有效的刷卡范围内均可实现门禁管理功能。读卡器安装门边墙内外,而不影响其工作。并通过通信转接器(RS485)与电脑进行实时监控(可由计算机远程遥控开启所有门或某一道门,同时实时监察所有门的状态)、数据处理、查询、报表输出等。整个系统采用进门读卡开门,出门按钮的开门方式。消防报警信号也接入系统,当有消防报警时,系统也可自动断电开门。系统中对于双开门,采用两把电锁,单开门采用一把电锁。
1.1. 系统主要功能
Ø 刷卡记录:当人员进/出门时需持卡在读卡器前进行读卡,读卡器读取信息后,将信息传送到主机,主机首先判断该信息是否合法,如合法则发出开门指令(即向电锁发送一接通信号,使门打开;不合法则不发送开门指令并可发出警报。同时主机会将刷卡信息、日期、时间等数据保存以供查询或直接传输到电脑进行处理。
Ø 控制中心:控制中心通过电脑可分部门建立员工资料库,如:市场部、人事部、开发部等,定期或实时采集每个门的进出资料,同时按部门进行汇总、查询、分类及打印等。主机的各种参数均可由电脑进行设置,也可在各主机直接设定。
Ø 多级管理:本系统能很方便地实现多级管理功能,控制中心可通过电脑可设置每张卡(即每个人)的进出权限、时间范围、节假日限制等;如:高级管理者可随时进出任何一扇门、部门管理者可进出本部门所有门、而一般职员只能在上班时间内进出本部门的门,超出上班时间将无法进出,还可以结合密码输入来确认持卡者的合法性,然后决定是否开门,各种权限可由用户自由设置。
Ø 考勤:本系统可将所有员工在每一天中的第一笔和最后一笔的进出记录从数据库中导出成文档文件,直接供管理人员对员工的出勤情况进行考核。详细的迟到早退等考勤结果需由外挂考勤管理软件单独处理完成,生成出勤报表并由电脑或打印机输出。
Ø 系统扩充:本系统最基本的配置是1个读卡器、1台控制器、1个电源控制箱、1把电锁、1个开门按钮及1张卡片就可达到门禁管制目的,当用户需要扩充功能时,系统可按照所需功能增加相应的扩充模块来达到目的。如:1)相对于SY210NT2两门控制器而言,每台控制器可只连一个读卡器(单门),也可增加到四个(两门),而相对于SY210NT4四门控制器而言,每台控制器可只连一个读卡器(单门),也可增加到四个(四门);2)通过加装MDDIDO模组可接收外界各种输入信号(如火警、煤气漏、非法进入等),然后进行相应的处理(接通报警、打开消防通道等),加装打印模组可直接接通打印机将各种信息打印出来而无需电脑。
2.视频监控及防盗报警系统
所选的硬盘录像机对视频流的存储和压缩技术是采用MPEG4压缩技术,传输质量非常理想。硬盘录像机有远程浏览功能,用户可在远程监控端上,不影响本地站监控的同时对指定的录像事件进行回放或实时观看监控图像,由于采用的是MPEG4,远程浏览视频文件对带宽压力将变小。系统采用数字录像, 24小时视频信号录像的资料可保留时间30天。系统采用每路视频直接接入主机,可以单独记录每路视频的实际情况。
3.设备及环境监控系统
4.1 需求分析
机房内有大量的设备服务器设备和动力环境设备,对场地环境及动力环境设备运行稳定性的要求极高,如采取24小时专人值班定时巡查环境设备的方式,就会存在着耗费人力资源、人力长时间重复劳动易于疲劳和疏忽、巡查人员专业技能水平不足以排除故障,和整个机房动力环境设备监控管理工作不科学和规范等问题。为此,我公司设计了一套机房动力环境监控系统,该系统为机房维护人员提供了先进的管理手段、实时的管理信息和丰富的历史记录,可以提高对机房系统设备的管理水平,实现科学管理,同时也节省了人力,减轻了维护人员的劳动强度,提高了对突发事件的快速反应能力,减少了事故带来的危害和损失,从而使机房管理步入了一个新的境界。
4.2 系统设计
系统设计通过在主机房内安装一台集中监控主机,该主机要求具备所有监控功能接口,能够实现对机房内前端传感器信号的采集与处理,集中监控收集机房配电柜、UPS、蓄电池、精密空调、温湿度、漏水、门禁、新风机等环境及设备的运行参数,实现数据的记录、分析与报警。并可以通过TCP/IP或3G(可选模块)等通讯方式与管理平台软件进行通讯。同时内置WEB结构及数据存储,保证主机的稳定性及数据的安全性,管理人员可以在同一局域网内实时远程通过浏览器进行访问。
动力环境监控系统建设主要监控对象包括:柴油发动机、精密空调、UPS、温湿度监测、定位漏水检测、配电、消防、新风等,本次系统建设要求能够实现7×24×365的全面集中监控和管理,保障机房环境及设备安全高效运行,以实现最高的机房可用率,并不断提高运营管理水平。
具体建设内容如下:
动力环境监控部分
Ø UPS:2台,监测UPS的工作状态和运行参数。
Ø 新风:1台,监测新风机的工作状态和运行参数。
Ø 排气:1台,监测排风及的工作状态和运行参数。
Ø 精密空调:6台,监测机房精密空调的运行参数及状态,并可实现远程开关机启停控制和参数设置。
Ø 温湿度:13个点,监测机房内重要区域的温度、湿度数值及变化情况。
Ø 漏水:6套定位式漏水检测系统,在台精密空调下方安装漏水感应绳,监测机房内漏水情况。
Ø 配电系统:6台配电柜,对机房内的供配电系统的电质量进行实时监测。
系统管理示意图:
系统组成结构
整个系统由低层到高层分为三层结构:各智能设备、本地监控站、中心管理监控站。各智能设备主要包括空调、UPS、配电柜、新风机等,下面我们将进行详细论述:
结构组成:系统由本地监控站、超级管理站、远程浏览站、计算机网络、智能模块、协议转换模块、信号处理模块、多设备驱动卡及智能设备等组成。为了增强系统的功能,用户可根据需要选择配置多媒体声卡、智能电话语音卡、超级视频卡等设备。
本地监控站:本地监控站采用工控机来实时采集机房各智能设备的运行参数和运行状态,监控主机与各现场智能设备之间通讯可根据用户需要选择采用RS232、RS485或者采用IP网络。本地监控站与监控管理中心的通讯采用IP网。
现场监控主机与被监控设备之间的通信方式:智能设备一般都有通讯接口装置,便于向外输出设备的各项运行参数、运行状态及控制信号。
与通讯板有关的重要的信息主要有两个:通讯接口方式,通讯协议。
“通讯协议”这个概念本身的涵盖范围是非常广泛的,以ISO的开放系统互连七层模型为例,在层与层通讯、相同层之间通讯的众多通讯规范或约定均称为通讯协议。
常说的通讯接口方式,实际上是通讯系统物理层通讯协议的另外一种表述方法。它决定了通讯系统物理层的电气特性,也就决定了通讯线路的物理结构和接线方式,常见的通讯方式主要有:232\422\485。我们常说的通讯协议一般指在物理层通讯协议支持之上,监控程序与设备通讯接口板之间的软件通讯的规范或约定。常见的标准通讯协议有MODBUS、JBUS、电信总局协议等。同时,许多实力雄厚的设备生产厂家也会采用自己开发的专有的通讯协议。系统还可监控支持SNMP协议的动力设备,并可提供用户数据库。系统具有OPC接口,可用于与大楼楼宇自控系统的集成。
远程浏览站:为方便管理,系统同时提供浏览器支持,管理人员在安装远程客户端软件后,就可直接在其他微机的浏览器中,查看到各本地监控站点的所有实时数据,画面刷新速度将小于5S,可确保其实时性。在浏览站可随时随地了解设备的实际工作状况,便于实现监控一体化,系统提供内嵌于浏览器的远程监控模块。管理人员将可以在浏览器中,直接观看监控画面,并且该监控画面应与监控管理站一致,可以通过该界面远程控制设备运行。
智能模块:智能模块用于采集控制模拟量、开关量等信号,将信号传输给现场本地站,并接受现场本地站的控制信号。智能模块分为四种,即智能模拟量采集模块,智能开关量采集模块,智能控制输出模块。智能模块采用RS485通讯接口,可以远传。
报警网络设计:在本系统中支持各种形式的报警功能,如声光、文字、图像等,报警信息可直观地以各种方式在本地监控界面上进行显示,或者通过电话网直接以电话、短信的形式传送给管理人员,也可通过网络传送到超级管理站进行统一的处理。
当报警事件达到一定级别(系统默认为5极)时,还将触发语音报警,具体形式有:固定电话、手机、短信、BP留言等,保证所有的报警信息都能及时、有效地通知给管理人员。同时,所有的报警信息都可输出到系统的事件查看栏,进行统一处理、确认或打印,方便管理人员对各报警事件进行统一的管理。
4.2.1UPS监测子系统
监控对象:对UPS主机的运行状态进行实时监测管理。
监控实现:UPS提供RS485协议通信接口,UPS的通讯接口经过LON7520进行通讯信号转换,连接到前端LONWEB嵌入式。前端监控主机通过总线与UPS进行通信,采集到UPS各种运行数据及状态信息,经过计算处理后的数据发布到对外数据接口,集中监控平台或监控客户端直接读取前端嵌入式主机对外数据接口的数据,实现UPS的在线实时监控。
监控性能:实时显示并保存各UPS通讯协议所提供的能远程监测的运行参数和各部件状态。实时判断UPS的部件是否发生报警,当UPS的某部件发生故障或越限时,前端嵌入式主机系统发出报警或监控中心主机系统发出报警。
监控内容:
A、模拟量:输入相电压,输出相电压,旁路相电压,输入相电流,输出相电流,旁路相电流,电池电压,电池电流,输出频率,系统负载,电池充电程度,电池后备时间等。
B、数字量:输入电压越限,输出电压越限,输出频率越限,过载,电池工作模式,旁路工作模式,电池电压高,电池电压低,系统报警,整流器报警,逆变器报警,系统关机,旁路电压超限等。
注意:UPS监测的内容需根据UPS所提供的协议而略有变化,上面的内容只作参考。UPS一般不进行远程关机控制,以免发生意外。
在下图中,实时参数以具体数值显示;工作状态以LED图标显示,绿色表示该状态启动,灰色表示该状态没有启动;报警信息以LED图标显示,红色表示报警状态,绿色表示正常状态。
4.2.2 精密空调监控子系统
监控对象:对机房精密空调进行监控。
监控实现:精密空调提供RS485协议通信接口,通过交换机直接把信息传输至管理主机进行监控。对精密空调运行状态进行在线实时采集监控。
监控性能:监测空调机运行状态,用图形和颜色变化来显示空调的工作情况,故障时进行报警。能够实现空调的制冷器运行状态、压缩机高压故障、过滤网阻塞等的监测与报警。可以通过本监控系统在远端监控室内控制空调机的启、停,及改变温度与湿度的设定值。此外,能够实时显示并保存各空调通讯协议所提供的能远程监测的运行参数、各部件状态及报警情况。
监控内容:
监控部份:回风温度、回风湿度、回风温度上限、回风湿度上限、回风温度下限、回风湿度下限、温度设定值、湿度设定值、空调运行状态、压缩机运行时间、乙二醇运行时间、加热百分比、制冷百分比、加热器运行状态、制冷器运行状态、除湿器运行状态、加湿器运行状态、温湿度变化曲线图、压缩机高压报警、压缩机低压报警、空调漏水报警、温湿度过高报警、温湿度过低报警、加湿器故障报警、主风扇过载报警、加湿器缺水报警、滤网堵塞报警等。
控制部份:空调的远程开机、关机。空调的温、湿度的远程设定。
空调的所有监测与控制部份的具体情况可依据空调厂家提供的通讯协议略有变化。
4.2.3 测漏子系统
监控对象:对机房内精密空调及水管的漏水实施监控。
监控实现:每个区域中采用TTSIM-1A型定位式漏水监测控制器在根据现场实际需求,选择相应的漏水感应绳,漏水感应绳围绕空调和进出水管绕一圈,达到实时检测每一处可能产生漏水的地方。漏水监测控制器通过7520转换模块转换为RS-232总线直接连接到监控室的监控主机上。
监控性能:以电子地图方式实时显示并记录漏水线缆感应到的漏水状态、漏水位置及漏水控制器的状态。当空调或其沿线水管漏水时,监控主系统发出报警,并有相应的图示和文本框显示漏水发生的位置。
监控内容:实时检测并记录漏水报警变化情况。如下图所示,在漏水监测系统中所监控漏水感应线的状态以线条和图标的形式显示。一旦有漏水发生,所对应位置的线条会立即变成红色,并以文本方式显示相应的漏水地点。线条正常情况下是绿色的。
4.2.4温湿度监测子系统
监控对象:对机房内各个区域的绝对温度和相对湿度进行监测。
监控实现:在机房内对机房温湿度进行监测。温湿度传感器输出数据信息,通过RS485通讯总线接入监控主机进行处理。
监控性能:以电子地图方式实时显示并记录每个温湿度传感器所检测到的室内温度与湿度的数值,显示短时间段内的变化情况曲线图。并可设定每个温湿度传感器的温度与湿度的上限与下限值。当任意一个温湿度传感器检测到的数据超过设定的上限或下限时,监控主系统发出报警。
监控内容:由温湿度传感器采集各机房内的信号,实时显示温度信号、湿度信号。
4.2.5新风机监控
监控对象:对机房内的压差和新风机、排风机的运行状态进行监测,并实现远程控制启停功能。
监控实现:风压和压差监控是通过在新风机出风口处和滤网内侧分别安装微压传感器,通过转换模块再传到嵌入式主机,从而检测到机房内外的压差及新风机的启停状态。新风机和排风机通过控制模块进行远程控制功能,微压传感器检测启停状态。
监控内容:
遥信:新风机或排风机启停状态,及机房的差压监控。
遥控:新风机或排风机启停。
监控性能:
实时显示并保存机房差压和新风排风机的运行参数、各部件状态及报警情况。可远程控制新风排风机的启动和停止,并能程序,使其按程序自动运行或停止运行。
第六章 服务器机柜及冷通道
1. 机柜产品配置:
根据本项目需求,一期配置标准19英寸尺寸为:600*1200*2000服务器机柜**台、尺寸为:800*1200*2000网络列头机柜**台、尺寸为:800*800*2000网络列头机柜**台及冷通道**套。
机柜总体结构
机柜主体结构特点:
※ 弧型门设计,整体大气美观,移动方便,组装快捷
※ 结构紧密牢固, 内部空间容量大
※ 机柜的标准化成度高,各零部件装配具有一致性和互换性
※ 前后门和左右侧门可快速拆卸,方便现场施工
※ 机柜顶部与底部预留多处线缆管理通道,底部走线孔可按需调整
※ 满足机柜线缆管理解决方案:上进上出线,下进下出线,上进下出线,下进上出线
※ 满足机柜散热管理解决方案:前进风,上送风,下送风
※ 满足机柜电源管理解决方案:选配模块化配电单元,机架式PDU,竖挂式PDU
※ 可选配机柜安装底座,加固机柜固定、达到抗震效果
※ 可快速并柜,齐全的可选配件
1. 门组件结构说明:
a) 前门组件与后门组件结构说明:
※ 前后门均为蜂窝网孔,后门出风网孔与前门网孔配合形成空气对流通道,具有良好的通风散热结构与机房空调送风方式相适应(可选前门为国际流行颜色钢化玻璃门,后双密闭开门,设有专用散热系统),提高机柜的散热率,保证柜内的设备稳定运行
※ 前门为单开弧型网孔门,后门为双开网孔门
※ 前网孔门通透率>67%,后网孔门通透率>67%
※ 开启角度>130°
b) 侧门组结构说明:
※ 侧板采用弹扣式门锁,无须工具可方便拆装
※ 门锁配有专门开启的钥匙,提高机柜内部设备运行的安全
2. 承重大小:
※ 拼装结构设计,额定静载为800Kg,最大静载可达1000Kg
2. 冷通道产品功能:
机柜冷热通道解决方案是响应“机房节能减排,推进绿色新机房”应运而生,主要用于类似IDC数据中心机房散热量极大的机房使用,起到精确送冷风的效果。由两个机柜矩阵组成。传统机房冷气得不到有效控制,冷气乱窜,导致机房布分环境很冷、机柜内部很热。冷通道机柜将输送到机柜内部的冷气以最节约有效的方式全部输送给散热设备,机柜内的热量沿制定方向输送出机柜。
² 用于访问管理和侧面气流遏制的通道封闭门。门应具有良好的密闭性,活动性,并可以观察到通道内的实时情况。
² 用于顶部气流遏制的顶窗。顶窗应具有良好的阻燃,隔热,透光性,并满足易于安装,易于维护的特点。
² 安全管理功能。冷通道具有温度,湿度,烟雾感应检测系统,以及相应的声光报警,短信息报警,以及门磁控制功能。
1.1冷通道产品配置
产品特点:
l 模块化
冷通道封闭采用为模块化设计,冷通道两侧相对应的两台机柜为一个模块
每个模块均能独立安装与拆卸,方便用户增加、减少或者移动通道内部分机柜。
l 便捷性
无门槛设计,方便小推车等运输工具无阻碍进出。
l 美观性
通道封闭窗口材料为透明玻璃,外观为与机柜同材质的冷轧钢板,机械强度高,通透性好,整体美观,与机柜风格一致,和机房环境比较协调。
l 按需定制化
根据现场机柜高度和机房顶部空间高度,可灵活调整封闭方案。
根据现场封闭通道外走道宽度,封闭通道可选择推拉开门方式或左右平移开门方式,灵活调整封闭方案。
推拉门方式
左右平移门方式
l 安装可靠性
通道封闭各部件均安装固定在机柜承重框架上;
固定点主要分布在机柜承重框架的顶面、正面、侧面;
安装简单,整体协调美观,不会破坏机房现有装修,安装现场不用动火烧焊。
PS:
